生物发酵工程仪表选型要点2024-03-14

0 引言

面对日益激烈的市场竞争,许多企业都在寻求生产工艺的改进,如在发酵过程中引入操作自动化控制系统,采用测试技术、传感技术和预测模糊控制技术,对温度、压力、pH值、溶解氧、风量、补料、转速和电机显示进行数字化自动控制,不仅节省了大量人力,而且提高了生产效率和产品质量。对于工业发酵来说,发酵工程的首要任务是选择合适的菌种进行培养和繁殖,同时需要保持最佳的生长条件和参数控制,发酵罐的选择以及微生物的接种、分离和纯化。生物发酵是产品制备的生化反应过程,涉及生活和生产的方方面面。生物发酵参数是发酵过程及其菌种生理生化特性的数据,也是人们控制发酵过程的主要依据。生物制药发酵过程中与微生物生长和代谢相关的控制参数包括温度、压力、溶解氧、pH、液位、流量等,参与全过程自动控制的测量仪表和控制阀也是生物发酵的重要组成部分。

 

生物发酵工业的生产不仅特殊,而且对产品的卫生要求也很高。虽然生物发酵工程中的仪器和阀门是发酵设备智能化不可或缺的一部分,但除了常规规范和标准外,它们还需要满足良好生产规范(GMP)或GAMP指南的要求。除卫生和无菌要求外,与药品质量相关的物料和环境直接接触的仪表或控制阀也有严格的灭菌、密封和隔离等要求。根据近年来在生物发酵工程中自动控制选型和使用的经验,主要介绍了生物发酵工程中各种仪表的选型要点。

 发酵设备1.png

 

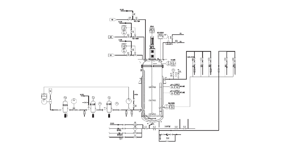
                                          图1 发酵系统图   

 

 

1 生物发酵工艺流程

某公司新建50万吨/年农副产品深加工综合利用项目,将基础作物加工成亮氨酸、透明质酸等数十种高附加值氨基酸、发酵产品,提升当地经济效益。该项目引入发酵过程全程自动化生产,打造高效、节能、卫生、绿色的无人智能车间。发酵过程参数的测量与控制直接影响发酵效果,发酵部分包括种子培养过程和发酵过程。

 

1)种子培养工序

将种子罐清洗完毕后加入玉米浆并搅拌均匀,用蒸汽进行消毒,消毒完成后用循环水降温,调整pH,将储存在种子室中的菌种加入种子罐,空气经过滤、蒸汽消毒后,并将其送入种子罐进行种子培养,种子培养达到指标后,靠压差进入发酵罐。

 

2)发酵工序

发酵罐中通入经过滤、蒸汽灭菌后的无菌空气进行发酵,通过添加氨水调节pH值,通入低压蒸汽、循环水、冷冻水调节发酵罐内物料温度,在引入生产菌并用活性种子扩大培养后,将它们加入发酵罐中,并进行约60h的好氧发酵以制取发酵液。发酵液通过出料管送至发酵液储罐,后送至下一工段。图1是某个发酵系统设计的测量参数情况。

 

从图1可以看出发酵过程测量参数主要有:入罐温度TT(细菌生长的合适温度)、进气流量FT(罐中二氧化碳和氧气的生产和消耗)、罐压力PT(压力影响溶解氧和细菌生长)、进料流量FT(微生物生产和代谢的必需营养素),变频电机转速(确保营养物质与细菌均匀接触)、溶解氧、pH(细菌代谢条件)等。

 

2 测量仪表阀门的选型要点分析

2.1 温度检测仪表

温度对发酵的影响:

 

1)对细胞生长的影响:温度升高,从酶反应动力学来看,生长代谢加快,但由于酶很容易热失活,所以高温时菌体易于衰老。

 

2)对产物形成的影响:菌体生长速率、呼吸强度和代谢产物形成速率的最适温度往往是不同的;温度升高,一般产物生成提前。

 

因此,发酵过程中的罐温是一个十分重要的微生物生长的环境参数,发酵中常采用热电阻温度计检测罐内温度。由于微生物培养过程是纯培养过程,因而对无菌、洁净要求很高,故发酵罐、种子罐等设备上的温度检测仪表常采用卫生型,以下是卫生型温度变送器的选择要求:

 

(1)符合3A卫生标准[5];(2)整体不锈钢结构;(3)工艺连接部分采用整体焊接抛光工艺,卫生连接(焊接、符合ISO 2852的卡盘、符合DIN11851的螺纹等);(4)温度传感器敏感元件采用高精度铂热电阻,输出4mA20mA电流信号,二线制+Hart或其他协议信号;(5)精度等级:0.25%FS0.5%FS;(6)卫生一体化温度变送器一般选用热电阻温度计+卫生型温度套管。

 

2.2 压力检测仪表

压力主要用于发酵罐调节进气量或排气量,维持发酵过程中所需的压力。发酵罐中的气体压力测量必须满足清洁度、除尘和交叉污染保护的要求,并符合制药和生物技术指南的最高标准[。因此,发酵罐、种子罐等设备及纯化水管线上的压力检测仪表采用卫生型压力变送器。以下是卫生型压力变送器的选择要求:

 

(1)符合3A卫生标准;(2)整体不锈钢焊接结构;(3)过程连接形式选用卡盘连接,卫生卡盘压力接口:316L平膜片,采用膜片结构方便快速拆装清洗,防止结垢,不应有无菌死角;(4)常采用扩散硅或单晶硅传感器,带现场显示功能,同时输出4mA20mA+Hart信号,精度可达0.075%

 

2.3 在线检测仪表

在线检测需要在发酵系统中采用专门的传感器(也叫电极或探头),以传输一些发酵信息并为发酵测量提供基础。由于微生物培养过程是一个无菌要求很高的纯培养过程,因而对传感器有特殊要求:

 

(1)插入储罐的传感器必须能够承受高压蒸汽灭菌;(2)传感器结构不应有无菌死角,以防染菌(密封性好);(3)传感器对测量参数要敏感,相应时间要短(响应快、灵敏);(4)传感器性能要稳定,受本应用环境影响小。

 

2.3.1 在线检测仪表(pH)

发酵过程中培养基的pH值是在一定环境条件下微生物代谢活性的综合指标,是重要的发酵参数。发酵罐、种子罐罐内的pH检测一般是使用复合pH电极,该电极结构紧凑且可蒸汽灭菌。以下是pH检测仪表的特点:

 

(1)选用可以在生物过程蒸汽消毒等高温环境中反复使用的pH电极;pH电极采用螺纹接口Pg13.5,护套主体采用316L不锈钢材质,结构需坚固稳定。

 

(2)参比电极采用抗污染能力强的双盐桥结构,可消除液接部分的堵塞。液接部材质:玻璃,陶瓷或316L

 

2.3.2 在线检测仪表(溶解氧)

溶解氧是指测量罐内培养液中氧含量的比例,氧气是菌种生长和生化反应所必需的物质之一。根据目前发酵行业自身的特点,溶解氧表示采用空气百分饱和度的表示方法。一般在接种前,模拟正常培养的条件(搅拌,温度,罐压,通气),进行满刻度标定,此时溶解氧视为100%,调好后不再对其校正,直到发酵结束。以下是溶解氧检测仪表的选择要求:

 

(1)可采用电化学测量原理,适用于各种生物发酵设备中含氧量检测。

 

(2)电极采用螺纹接口Pg13.5,主体采用316L不锈钢材质材料。

 

(3)需配耐压不锈钢结构膜片,抗形变能力强,耐受高温灭菌使用。

 

(4)测量范围0mg/L20mg/L,0%200%

 

2.4 流量检测仪表

发酵车间对无菌化洁净化要求很高,经常性高温消毒,故发酵罐或种子罐的蒸汽、空气管道流量检测一般采用卫生型涡街流量计,发酵罐或种子罐的料液、纯水流量检测一般采用卫生型电磁流量计等。电磁流量计主要用于检测能导电的流体(如循环水等)的测量,因此选用电磁流量计需确定物料介质的导电性。以下是以卫生型(电磁)流量变送器为例,选用特点说明:

 

(1)符合3A卫生标准。

 

(2)过程连接形式有多种卫生型连接,可选用(焊接、卡箍、螺纹)连接。

 

(3)卫生型流量计选用卫生型衬里材料(PFA内衬),这样防止了介质残余物堆积在测量管中;选用不锈钢传感器外壳,电极SS316L

 

(4)光洁度要求:接液材质表面光洁度Ra0.8um或高抛光度Ra0.38μm

 

(5)密封圈材质可选用EPDM/FKM等要符合3AEHEDG认证,并满足各类卫生型应用场合要求。

 

2.5 液位检测仪表

发酵罐、种子罐等设备内体积的检测一般采用压差法,因此发酵罐上设置差压变送器来检测罐内体积。该液位计利用发酵罐上下两点或三点间不同压强可计算出料液体积和页面高度。发酵设备内不允许存在杂菌,对无菌,洁净要求很高,因此液位检测仪表常选用卫生型,卫生差压变送器的特性与卫生压力变送器的特性相似。

 

2.6 控制阀

在发酵过程中,罐体内和管道中不允许存在其他杂菌。杂菌可能产生有毒有害物质,影响发酵质量和产量,严重时可能导致整罐发酵失败。因此,在接种菌种之前,有必要对发酵罐、管道和培养基溶液进行高温蒸汽灭菌处理。故在生物发酵工程中,经常使用卫生阀作为控制阀,如卫生蝶阀、卫生球阀、隔膜阀、抗生素阀、角座阀。卫生级阀门指的是用于生物制药行业中的对卫生等级要求很高的场所所使用的阀门管件;卫生级阀门通常由304316不锈钢制成,在生产加工后经过特殊处理。在许多方面,工业阀门无法与之相比,例如清洁度和简单的安装方法。生物制药的生产设备是需要没有死角,光滑,没有缝隙,要足够的高清洁度以保证完整的质量。生物反应器的无菌要求很高,可能与样品接触的阀门以隔膜阀或抗生素阀为主。

 

 

  发酵设备2.png

 

              表1 发酵工艺过程测量仪表和控制阀数据表  

 

 

 

卫生阀采用卡盘连接、快装法兰连接和焊接连接的形式进行连接。以抗生素阀为例,介绍了控制阀的选型要求:(1)应具有较强的杀菌、清毒功能,防止产品污染;(2)密封垫采用耐高温聚四氟乙烯复合材料制成;(3)密封垫、阀体中间密封圈、阀杆填料均采用优质聚四氟乙烯材料;(4)要求耐高温,使用寿命长,无死角,零泄漏。

 

卫生控制阀系统解决了生产过程中的缺陷,快速提高了发酵罐的安全性。准确的仪表选型设计避免了染菌产品而造成不必要的后果,同时与工业普通阀门相比,卫生控制阀更紧凑轻便,可节省大量空间,满足CIP/SIP需求。

 

生物发酵工艺对杀菌、消毒、密封和隔离等要求很高。因此,在一般的生物发酵生产工程中,工艺设备、测量仪器和控制阀往往选用卫生型。从上述各类测量仪表选型要求分析可以看出,卫生型仪表和普通仪表的区别主要体现在以下几点:

 

(1)材质方面:根据不同条件工况要求选用不同等级的不锈钢材料(304L316L等)。

 

(2)结构方面:表面光滑干净(表面光泽度最好小于0.8μm),无死角,不易结垢,不易污染,易于冲洗。

 

(3)在认证方面:卫生仪器通常需要获得3A级卫生认证,或者能够获得第三方卫生检测报告,以满足GMP/FDA的要求。

 

(4)外观方面:卫生仪表和阀门从外观上看有一个显著的特点,即卡箍式连接和卫生级快装法兰连接等。

 

生物工程中的制剂车间、发酵车间等有洁净要求的场合需选择卫生型仪表。对于有灭菌要求的发酵系统,卫生仪表可以同时满足在线灭菌的要求。在防染菌防污染,防止有毒、有害和污染物进入和泄出、耐高温消毒灭菌方面,要求严格密封和隔离。在选择仪表时,要综合考虑仪表的安装条件,是否能满足安装过程中无死角,易清洗,无残留的卫生要求。

 

3 测量仪表阀门的选型应用

根据上文的发酵工艺流程描述及选型要点分析,提供了几种典型的测量仪表和控制阀的选择参数。

 

从表1中典型测量仪表和控制阀的选型可以看出,生物发酵工程和化工行业的仪表及控制阀的选型有许多差异,原因是生物发酵旨意培养出更好的菌种。生物工程对生产过程的环境和设备有着严格的要求,这使得卫生仪表和阀门的选择更加关注设备本身(部件材料、结构)以及环境因素是否会对生物发酵生产过程产生不利影响。

 

4结语

目前,自动化测量仪器和控制阀在生物发酵行业的应用越来越多。然而,行业内对卫生仪表的选型没有系统的标准支持,导致设计师在选择卫生仪表时缺乏概念。同时,中国没有卫生标准,也缺乏权威的认证机构。本文介绍的卫生仪表的选用要点,希望对大家在生物发酵工程中的仪表阀门选型有所帮助。